鼎英《無功補償成套裝置》產品系列
KVQC型電壓調節型
主要用途及適用范圍:
該裝置可以對系統進行實時檢測,調節系統無功功率,提高功率因數,減少線損,改善供電質量,提高供電設備的利用率和輸電安全性。本裝置將大容量的高壓并聯電容器與具有有載調壓功能的自藕變壓器串聯,通過改自耦變壓器分接開關的檔位調節其輸出電壓,從而使電容器的無功功率發生變化,改變裝置輸出的無功量。
本裝置避免了電容器分級頻繁投切,無電容投切時造成的過電壓和過電流,對電網的沖擊很小,電容大部分時間工作在較低電壓,可以保證電容器安全,大大延長其使用壽命。
本裝置廣泛應用風力發電系統的35KV升壓站集中補償,工礦企業的變電站集中補償,鐵路供電所集中補償以及廠礦企業內大型設備的就地補償等場合。
型號及含義:

電壓調節級數:自耦調壓變壓器能夠實現的電壓等級數
電容支路數:電容器支路,一般為1-2級
系統電壓等級:6、10、35KV
補償額定容量:1-30MVAR
主要組成部件:
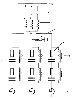
1. 隔離開關2.有載調壓變壓器3.避雷器4.熔斷器5.放電線圈6.串聯電抗器(可選)7.高壓并聯電容器
如上面原理圖所示,系統主要組成部分有:
控制器:KWWB-2000型高壓無功補償控制器
調壓裝置:自耦變壓器,有載調壓分接開關,電動執行機構,檔位控制器
電容器組:高壓并聯電容器,串聯電抗器,放電線圈,熔斷器,避雷器
開關:使用隔離開關,或斷路器配和隔離開關
控制柜:儀表、指示燈、繼電器、轉換開關等
主要技術參數:
額定電壓:6.3kV 10.5kV 38.5kV
額定頻率:50Hz
最大輸出容量: 1000kvar------3000kvar (6KV級)
1000kvar ----- 6000kvar (10KV級)
3000kvar ------30000kvar (35KV級)
調壓方式:有載調壓,選用適當有載分接開關,優先采用端部調壓方式。
阻抗:0-2.0%。
相數:三相
冷卻方式:油浸自冷
防污等級: IV類。
溫升限值:按GB1094.2標準要求,并考慮一定諧波電流發熱(按10%額定電流)
功能特點:
1.可以根據系統電壓及無功情況,按照九位圖及模糊控制原理保證母線電壓在合格范圍內,保證功率因數在所設置范圍內,使率因數優佳,線損最小。
2.裝置電容器固定接入,不采用投切電容方式調節無功,而是根據Q=2πfCU2改變電容器端電壓來調節無功輸出,滿足系統無功出力要求。
3.無功在調節過程中無過電壓產生,可以保證電容器安全,延長其使用壽命。
4.可采用電容器低電壓接入,有效降低電容器合閘涌流對系統及電容器本身的沖擊。
5.調壓過程電容器并未脫離電網,無充放電過程,故無調節延時,可實現適時調節。
6.裝置輔助損耗小,僅為電容器容量的2‰左右。
7.裝置采用目前最先進的專用數字處理芯片,穩定性好,控制精度高。采用圖形液晶顯示,全中文顯示菜單式人機交互;實時顯示各種運行狀態及數據,操作方便。
工作條件:
環境溫度:-20℃--+55℃
相對濕度:≤95%(25℃)
海拔高度:≤1000M(普通型),可根據實際情況設計高原型。
安裝場所:使用地點不允許有較強的震動和沖擊,不允許有爆炸危險的介質,周圍介質中不應有腐蝕金屬和破壞絕緣的氣體及導電介質,不允許有蒸汽及有嚴重的霉菌存在。
安裝方式:

安裝于某變電站內的KVQC裝置

安裝于內蒙某風電場升壓站內的KVQC裝置
調壓變壓器和電容器組安裝于專門的高壓室內或戶外,無論是戶外或戶內都需要安裝圍欄隔離,按裝間距建議高于國家相關標準的1.2倍以上。
控制機柜安裝于變電站的集中控制室內,通過通信電纜和電容器及變壓器現場連接,進行運行狀況監測顯示及控制。